
- Cabeças de cobertura: 2 peças de condução servo-moto
- Voltagem: 220V, 50/60HZ;
- Potência: 3,0 kW
- Pressão de ar: 0,5–0,7 Mpa
- Ampère: 8,5A
- Velocidade: 40-45/min (personalizada de acordo com o formato e tamanho dos potes)
- Diâmetro adequado do produto: tampas de φ28-φ125 mm (personalizado fora do padrão)
- Taxa de passagem da glândula: ≥99,5% (dependendo do erro da tampa e da garrafa)
- Tamanho da máquina: 3300*1150mm*1908mm
- Peso: 450 kg
Antes de ligar a máquina. Leia este manual cuidadosamente para questões de segurança e uso correto da máquina. Para evitar acidentes pessoais e reduzir a frequência de danos à máquina.
No caso de produtos corrosivos, tome cuidado para evitar que objetos corrosivos toquem ou respinguem na própria máquina e na equipe.
- Evite utilizar a máquina em locais sujeitos a vibrações ou colisões.
- Quando a máquina estiver funcionando, o corpo do funcionário não poderá tocar nas partes móveis.
- A máquina deve ser evitada em locais excessivamente úmidos. E insira-a na fonte de alimentação, fio terra aterrado corretamente, para evitar um acidente de segurança.
- O operador deve manter um estado físico e mental normal. Se você tomar álcool, pílulas para dormir ou outras drogas que sejam prejudiciais ao seu estado mental, pare de operar a máquina.
- O operador deve usar roupas adequadas para evitar ferimentos causados pelo envolvimento das roupas nas partes rolantes e não deve colocar itens estranhos na máquina.
- Se ocorrerem ruídos ou outras anormalidades durante o uso, pare imediatamente e verifique. Técnicos não engenheiros, por favor, não transfiram peças da máquina arbitrariamente.
- Manutenção e cuidados regulares (uma vez por semana), evitando respingos de água ou qualquer líquido e caixas de controle eletrônico ou outros componentes elétricos ao limpar a máquina.
- Opere de acordo com os procedimentos operacionais normais e mantenha a superfície da máquina limpa e organizada.
A máquina de tampar é aplicada em todos os tipos de cosméticos, medicamentos, medicina veterinária, pesticidas, óleo lubrificante e outros campos industriais no processo de embalagem.





Princípio e características da máquina de fechamento de potes:
- Controle automático elétrico, é estável;
- Com dispositivo de posicionamento de tampa, tampa travada padrão, a operação é conveniente;
- Tampa de bloqueio de uma ampla gama, pode girar várias formas especificações de tampa;
- Limitar a velocidade, a prisão de rotação, simultaneamente também pode, de acordo com a necessidade, ajustar o aperto do rebobinamento.


Parâmetros básicos da máquina de fechamento de potes de cosméticos:

1. Cabeças de tampa: 2 peças de condução servo-moto
2. Voltagem: 220V, 50/60HZ;
3. Potência: 3,0 kW
4. Pressão de ar: 0,5--0,7 Mpa
5. Ampère: 8,5A
6. Velocidade: 40-45/min (personalizada de acordo com o formato e tamanho dos potes)
7. Diâmetro adequado do produto: tampas de φ28-φ125 mm (personalizadas fora do padrão)
8. Taxa de passagem da glândula: ≥99,5% (dependendo do erro da tampa e da garrafa)
9. Tamanho da máquina: 3300*1150mm*1908mm
10. Peso: 450 kg
Descrição da parte do host


Interruptor de energia: controle de alimentação ligado-desligado.
Indicador de energia: ligado — luz verde acesa, desligado — luz verde apagada.
Parada de emergência: usada para parar a máquina imediatamente ou para redefinir a função durante uma emergência ou falha.
1. Inicie o fotoelétrico: A máquina está em operação, quando a detecção fotoelétrica detecta que há uma garrafa e tem uma tampa, a plataforma giratória pode começar a funcionar. Se um dos dois fotoelétricos não for detectado, a plataforma giratória não gira.
2. Origem fotoelétrica: Ele é usado para controlar o motor de passo para acionar o posicionamento da plataforma giratória, para que a garrafa possa ser inserida na tampa suavemente.
3. Fotoeletricidade da tampa: Verifique se a tampa está no lugar e detecte fotoeletricamente que há uma plataforma giratória para girar.
4. Cobertura fotoeletricidade: Controlando o início e a parada da máquina de cobertura superior, quando a cobertura fornecida pela máquina de cobertura superior é classificada na posição detectada pelo fotoelétrico, a fotoeletricidade é sempre brilhante, a máquina de cobertura para para a cobertura e a cobertura inteligente é implementada.
5. Tampa de bloqueio fotoeletricidade: Quando a garrafa com a tampa passa, a detecção fotoelétrica é detectada e a tampa de bloqueio é acionada de acordo com o tempo de atraso definido (os parâmetros específicos são ajustados de acordo com a velocidade da correia transportadora quando a máquina é ajustada).
6. Sistema de tampa de bloqueio: A garrafa com a tampa é a mesma, o atraso de início fotoelétrico, atraso para a garrafa de fixação do cilindro, a tampa de trava é abaixada, a tampa de aperto - a tampa de rosca - a liberação do prendedor - a tampa de trava sobe - a garrafa de clipe é afrouxada e o processo de tampa de trava é concluído. Na tampa de trava, quando a tampa de trava 1# está na tampa de trava, outra garrafa entra. Neste momento, o cilindro da garrafa de fixação 2# se move e a tampa de trava 2# é ativada para travar a tampa. (Quando a tampa que foi travada pela cabeça de trava 2# passa pela garrafa de clipe 1#, não repita a tampa de trava.

Descrição da interface homem-máquina

Página de inicialização
3.1 A página de inicialização tem seleção de operação em inglês e chinês. Se você escolher o botão chinês, entre na seguinte interface:

Segunda interface
Parar: O interruptor de partida de toda a máquina, toque nesta tecla, a máquina funcionará no modo automático, toque novamente nesta tecla, a máquina para de funcionar.
Porta de teste: Teste o funcionamento da máquina.
Velocidade da plataforma giratória: Quanto maior for o parâmetro de velocidade, mais rápida será a velocidade e mais lento será o parâmetro de velocidade. (Mas há um limite máximo.)。
Atraso do toca-discos: Configurações de tempo de inicialização do toca-discos, de acordo com o efeito suave de funcionamento do toca-discos a ser definido.
Limitação de atraso: Após a plataforma giratória para a estação designada, adie o tempo de espera, a tampa da ação do cilindro.
Tempo de limitação: O tempo necessário para selar o cilindro.
Saída: Complete o registro do número da tampa da trava, contagem de produção conveniente. Pressione a tecla reset para limpar.
X1. X3. X14: Verifique se o fotoelétrico está no estado de funcionamento da reflexão, é fácil ver o funcionamento do estado da máquina,
Parâmetro de limitação: Pressione esta tecla e entre na seguinte interface:

A interface é uma página de parâmetros a ser definida para cada ação da cabeça de trava 1 # no sistema de tampa de trava servo. A configuração razoável dos parâmetros é benéfica para a estabilidade da máquina e para a melhoria da eficiência.
Retornar: Pressione este botão para retornar à segunda interface.
E/S: Pressione este botão para entrar na seguinte interface:

Pontos da série X: É o ponto de entrada para detectar se o fotoelétrico está em condições de funcionamento, fácil de ver a operação da máquina e fácil manutenção.
Pontos da série Y: É o ponto de saída dos componentes executivos do estado normal de feedback, também é possível pressionar manualmente a tecla de controle para testar se os componentes de execução estão normais.
Sistema alimentador de tampas: Pode ser estável e organizado de acordo com a direção prescrita para cobrir.
Ajuste de inclinação: ângulo razoável pode ser ajustado para controlar a tampa reversa não sobe no slide.
Regulação do conversor de frequência: controlar a velocidade da cobertura.


Manutenção de equipamentos para fechamento de potes:
1. Mantenha a máquina desligada e sem gás para garantir a segurança. Mantenha a máquina limpa e arrumada, sem objetos diversos na máquina, sem artigos pequenos, acessórios, parafusos, etc.
2. E o óleo lubrificante é adicionado regularmente no mecanismo da parte móvel para garantir um bom estado de funcionamento do mecanismo.
3. Drene a água da unidade do filtro de ar regularmente e adicione óleo lubrificante para garantir o uso adequado do cilindro e prolongar a vida útil.
4. Verifique e repare a máquina regularmente. Julgue a condição de funcionamento do equipamento através da visão e do ouvido para certificar-se de que a máquina funciona bem.
Observação: por favor, use e mantenha em estrita conformidade com as instruções, o período de garantia é estritamente proibido de abrir e desmontar, caso contrário, o dano causado por isso como dano humano, sem reparo gratuito. Esta instrução está sujeita a alterações sem aviso prévio; se ainda houver alguma incerteza sobre a operação desta máquina, ligue para nós a qualquer momento para consultas
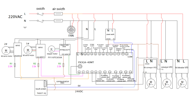
Esquema elétrico em anexo:

Amostras de tampas seladas finalizadas na máquina de fechamento de potes:





Marcas: para os potes pretos quadrados, devido às tampas serem suscetíveis a arranhões, ele é projetado com o sistema de coleta para puxar as tampas dos potes para fora das bandejas e colocá-las na estação pronta para fechamento de tampas. O princípio de funcionamento detalhado é ilustrado a seguir: Processo de trabalho:
1. Colocação manual das tampas na bandeja (15*15 ou 10*10)

2. Colocando as bandejas na estação de coleta pronta
3. Robôs pegando os potes

4. Posicionamento das garrafas e finalização do processo de fechamento
5. Saída de potes tampados











