
- Velocidade de fechamento: 15-30 peças/min
- Tensão nominal: 110V/60Hz (padrão dos EUA)
- Potência da máquina: 0,8 kW
- Ampère: 2,2A
- Dimensão externa: 2230*1460*1600 MM (C*L*A)
- Pressão de ar: 0,7 MPa
- Peso: Cerca de 300 KG
Notificação antes de iniciar a máquina de fechamento de garrafas
1: Antes de conectar a máquina, certifique-se de que o interruptor de energia esteja na posição fechada e siga as instruções.
2: Se a máquina não for usada por um longo período, ela deve ser limpa com um pano seco e não deve ser limpa com nenhum agente de limpeza corrosivo.
3: É estritamente proibido espirrar qualquer líquido na caixa elétrica da máquina, para evitar corrosão dos componentes elétricos internos e causar curto-circuito.
4: Verifique de acordo com a lista de embalagem do equipamento os modelos, especificações e quantidade dos equipamentos e materiais para certificar-se de que atendem aos requisitos de design e padrões de produto e acompanhados de certificados de conformidade.
5: Verifique a aparência do equipamento para certificar-se de que esteja livre de qualquer deformação, dano ou corrosão, e que todos os fusos estejam girando com flexibilidade e sem qualquer bloqueio.
6: Esta máquina funciona com CA monofásica de 110 V, e o plugue de alimentação plano de 3 pernas deve ser conectado à tomada com um fio terra.
Parâmetros técnicos

- Velocidade de fechamento: 15-30 peças/min
- Tensão nominal: 110V/60Hz (padrão dos EUA)
- Potência da máquina: 0,8 kW
- Ampère: 2,2A
- Dimensão externa: 2230*1460*1600 MM (C*L*A)
- Pressão de ar: 0,7 MPa
- Peso: Cerca de 300 KG
Máquina de tampar em detalhes:



Estruturas da Máquina

Descrição do olho elétrico de fibra óptica
Olho elétrico para detectar garrafas:

Quando operado no modo automático, o objetivo deste olho elétrico é detectar garrafas que chegam.
Quando a garrafa que está chegando é detectada, a "plataforma giratória" gira.
Olho elétrico de entrega de tampa

Quando operado no modo automático, o objetivo deste olho elétrico é detectar a entrada de coberturas.
Quando a tampa de entrada é detectada, o "mecanismo de retirada" sobe para retirar o material.
Olho elétrico de entrega de tampa

Quando operado no modo automático: O objetivo deste olho elétrico é detectar garrafas que chegam.
Quando a garrafa que está chegando é detectada, o "mecanismo de trava da tampa" gira a tampa para baixo.
Botão de interruptor e porta de fiação
Tela sensível ao toque e parada de emergência

Controlador do motor de alimentação e da placa de vibração da tampa

Controlador de placa vibratória

Controlador de placa vibratória: ajustando a tensão, ajuste a velocidade de descarga.
Interruptor de energia e tomadas

Controlador do motor

Transformador de frequência: Ajustando o botão do transformador de frequência, ajuste a velocidade do motor.
Método de alarme e solução de problemas:
1. A parada de emergência foi pressionada. Pressione as paradas de emergência na tampa da máquina e ao lado da tela de toque.
2. A saída atinge o valor definido. Defina a saída, pressione o botão clear para limpar a saída atual.
3. Quando as tampas não forem detectadas por um longo período de tempo, verifique. Verifique a fibra de indução da tampa da garrafa para ver se ela está bem fornecida. Verifique se as tampas estão no lugar ou não.
4. Quando as garrafas não forem detectadas por um longo período de tempo, verifique. Verifique se as garrafas estão no lugar.
Ajuste elétrico dos olhos:
Estrutura do amplificador

Diagrama para fibra óptica:

1. Barra de bloqueio de fibra óptica
2. Indicador de status operacional
3. Definir
4. Luz indicadora DSC
5. Monitor digital
6. Botão manual
7. Cobertura de proteção estendida
8. Conector de expansão
9. Interruptor seletor de energia
10. Botão de modo
11. Seletor de saída
12. Cabos
13. Protetor contra poeira
14. Definir valor (em verde)
15. Valor atual (Em vermelho)
Processo de trabalho para a configuração de fibra óptica
- Quando o olho elétrico cai no vão, o valor da corrente vermelha é 144.
- Quando o olho elétrico incide sobre a etiqueta, o valor da corrente vermelha é 4.
- Ajuste o valor definido, cerca de 1/2 do valor que o olho elétrico está no papel do corpo (no espaço entre os objetos a serem detectados) e o valor que o olho elétrico está no papel, o valor definido é (144 4)/2=74, ajuste o botão manual para ajustar o valor definido para 74.
- Mova a abertura da etiqueta para frente e para trás no local do olho elétrico e na “luz de sinalização/indicador” vermelha.
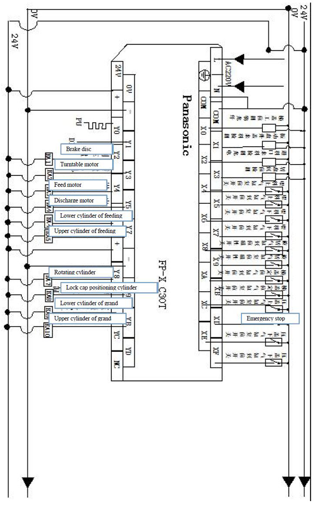
Diagrama de circuito



Máquina de tampar garrafas de manutenção

1. É necessário verificar e manter a máquina para alongá-la e otimizar sua função;
- A máquina de trabalho deve ser mantida a cada três meses;
- A parte do rolamento e da transmissão da engrenagem deve ser lubrificada com graxa;
- A lubrificação deve ser feita periodicamente;
- O óleo de deslizamento (N68) deve ser adicionado à peça como mecanismo de movimento alternativo ou elevação duas vezes ao dia;
- O óleo automotivo (N68) deve ser adicionado nas peças rotativas ou oscilantes;
- A cada semestre adicione graxa na ranhura do came;
- Uma vez por mês para o bico de óleo, adicionando a graxa;
2. Nunca use ferramentas de metal para bater ou raspar a superfície onde a colagem está aglomerada nas peças, como componentes ou moldes.
3. Se a máquina parar de funcionar por um longo período, adicione graxa para lubrificação em peças como transmissão ou rolamento; Trate também a máquina com proteção à prova d'água.
4. Nunca coloque objetos sobre a máquina para não danificá-la.
5. Limpe a poeira dentro dos componentes periodicamente, verifique também todos os parafusos e conserte qualquer parafuso solto.
6. Verifique os parafusos nos terminais para fiação em um determinado momento e certifique-se de que o parafuso esteja fixo;
7. Verifique se há alguma estação solta no caminho da fiação esticada das caixas elétricas; se a parte estiver muito solta, recoloque o parafuso para evitar abrasão ou danos na camada de isolamento, o que pode causar vazamento elétrico.
8. Verifique as peças facilmente desgastadas e troque as danificadas a tempo;









