
- Máquina de lavar garrafas de vidro VK-BR
- Máquina de enchimento de óleo VK-PF 4 cabeças
- Máquina de encapsulamento a vácuo VK-VC
- Máquina de etiquetagem de garrafas redondas VK-RPL
A linha de enchimento totalmente automática pode ser personalizada de acordo com os requisitos do cliente e as amostras oferecidas pelo comprador. Abaixo estão listadas as informações básicas para esta linha de enchimento totalmente automática para a indústria alimentícia:
Máquina de lavar garrafas de vidro, máquina de lavar a vácuo, equipamento de lavagem a ar
É uma máquina automática de lavar garrafas por ar. A capacidade depende dos bicos de lavagem por ar.
O compressor de ar transporta o ar dentro do recipiente de vácuo, o gás é purificado através da válvula solenoide e o gerador de íons, o xampu de gás traqueal sopra o gás para dentro das garrafas através da boca de lavagem de gás, sopra o gás estranho para fora da boca de lavagem de gás pela pressão do gás, retorna o gás residual exaurido traqueal para o exterior através do controle de emissão.

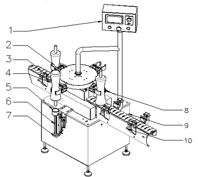
| 1 | Painel de controle | 2 | Garrafas |
| 3 | Cinto para mamadeiras | 4 | Sensor para alimentação com mamadeira |
| 5 | estrutura de fixação de garrafas | 6 | Jato de enxágue |
| 7 | Ventaneira eletrostática | 8 | Ponto de fixação das garrafas |
| 9 | Correia para saída de garrafas | 10 | Barra guia |
Parâmetros básicos da máquina de lavar rotativa a ar automática para garrafas de vidro:

Modelo: VK-BR
Adequado para garrafa: 20-1000ml
Capacidade de produção: 8 bicos de limpeza: 3600~4800bph
Faixa de pressão de ar: 6~8kg/cm2
Consumo de ar: 25m3/h
Fonte de alimentação: 220V 50/60Hz
Consumo de energia: 0,75Kw
Ruído de máquina única: ≤70dB
Ar purificado: 0,2μm
Tempo de limpeza: 3~5s
Peso líquido: 350 kg
Dimensão total: 1200 x 800 x 1600 mm
Máquina de enchimento de óleo 4 cabeças enchimento linear

A máquina de enchimento de azeitonas de 4 cabeças, controlada por microcomputador, combina a fotoeletricidade com a operação pneumática, sendo amplamente aplicada para o enchimento de líquidos de produtos químicos agrícolas, soluções, detergentes líquidos, cosméticos e azeitonas.
O volume de enchimento é preciso, sem espuma e estável. A máquina pode encher o líquido com a faixa de 25-1000ml, enquanto isso não há nenhuma exigência especial sobre os formatos das garrafas. Ou seja, ela pode encher o líquido para as garrafas normais, bem como as garrafas em formato de irrúcula.

Modelo: VK-PF
Faixa de enchimento: 50~3000ml
Velocidade de enchimento: <20-30b/m(para 500-1000ml de líquido)
Precisão: ±1%
Potência/potência de alimentação: 0,8kw、220v
Pressão de trabalho: 5~6kg/cm3
Consumo de ar: 0,5-0,7 mpa
NO: 500 kg
Dimensão externa: 2000×800×1900mm
Marca: Os bicos de enchimento podem ser projetados e fabricados de acordo com os requisitos dos clientes quanto à faixa de enchimento e velocidade de enchimento
Máquina de fechamento a vácuo linear Vk-Vc Equipamento de fechamento de potes:
Esta máquina de tampa linear é pesquisada e desenvolvida por nossa empresa com anos de experiência, é única no mercado doméstico. Integrado automaticamente, arranjo de tampa com cobertura, tampa a vácuo.
Bomba de vácuo manual adotada para atingir alto vácuo. Com as funções de nenhuma garrafa, nenhuma cobertura, alarme quando nenhuma tampa está disponível. Alta automação apreciada. As principais peças pneumáticas e elétricas são de marcas mundialmente famosas.
Com desempenho estável e confiável. É amplamente utilizado para fechamento a vácuo de potes de vidro com tampas de ferro nas indústrias de alimentos enlatados, bebidas, temperos, produtos para cuidados com a saúde, etc.

Potência: ≤2,3KW (incluindo a bomba de vácuo)
Capacidade de produção: 50-60BPM
Diâmetro da tampa: ¢30-¢55mm ¢50-¢85mm
Altura da garrafa: 80-250mm
Diâmetro da garrafa: ¢30-¢85mm
Vácuo máximo: -0,08mpa
Torção de cobertura: 5-20N.M
Consumo de ar: 0,6M3/0,7Mpa
Dimensões da máquina: Cerca de 3000×1000×1900 mm
Peso: Cerca de 850 kg
Máquina de rotulagem de frascos redondos Vk-Rpl

Aplicativo: Exige superfície circunferencial da membrana anexada ao rótulo ou produto.
Indústria: Amplamente utilizado em alimentos, medicamentos, cosméticos, eletrônicos, metais, plásticos e outras indústrias.
Aplicativo: Rotulagem de garrafas PET redondas, rotulagem de garrafas plásticas, alimentos enlatados e assim por diante.

Comprimento adequado da etiqueta (mm): 20 mm ~ 314 mm
Largura da etiqueta aplicável (largura do papel de suporte / mm): 15 mm ~ 150 mm
Diâmetro dos produtos aplicáveis (para garrafas redondas) e altura: diâmetro: φ25mm ~ φ100mm
Altura: 25mm ~ 230mm
Diâmetro do rolo padrão aplicável (mm): φ280mm
Diâmetro do rolo padrão aplicável (mm): φ76mm
Precisão de rotulagem (mm): ± 1mm
Velocidade padrão (m/min): Servo: 5 ~ 25m/min Passo a passo: 5 ~ 19m/min
Velocidade de etiquetagem (peças/min): Passo a passo: 30 ~ 80 peças/min (com o tamanho da garrafa e da etiqueta)
Servo: 40 ~ 120 peças/min
Velocidade do transportador (m / min): 5 ~ 25m/min
Peso (kg): Cerca de 185 kg
Frequência (HZ): 50HZ Voltagem (V): 220V
Potência (W): 530W (stepper de tração) 980W (servo de tração)
Dimensões do dispositivo (mm) (C × L × A): 1950 mm × 1100 mm × 1300 mm


Embalagem de caixa de madeira:

Serviço pós-venda para linha de enchimento

Nós garantimos a qualidade das peças principais dentro de 12 meses. Se as peças principais derem errado sem fatores artificiais dentro de um ano, nós as forneceremos ou as manteremos para você gratuitamente. Após um ano, se você precisar trocar peças, nós gentilmente forneceremos o melhor preço ou as manteremos em seu site. Sempre que você tiver dúvidas técnicas sobre como usá-lo, faremos o nosso melhor para apoiá-lo gratuitamente.
Garantia de qualidade:
O Fabricante deve garantir que os produtos são feitos com os melhores materiais do Fabricante, com acabamento de primeira classe, novos, sem uso e correspondem em todos os aspectos com a qualidade, especificação e desempenho conforme estipulado neste contrato. O período de garantia de qualidade é de 12 meses a partir da data do B/L.
O fabricante consertará as máquinas contratadas gratuitamente durante o período de garantia de qualidade.
Se a avaria for devida ao uso indevido ou outros motivos por parte do Comprador, o fabricante cobrará o custo das peças de reparo.
Instalação e depuração:
O vendedor enviaria seus engenheiros para instruir a instalação e a depuração. O custo seria suportado pelo comprador (passagens aéreas de ida e volta, taxas de acomodação no país do comprador). O comprador deve fornecer sua assistência no local para a instalação e a depuração.









